CH-SC/CH-SB S型傳感器
編號:10503
查看:
發布:2022-05-20
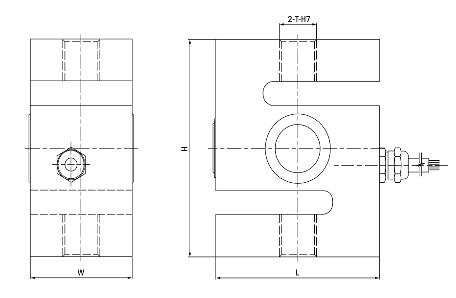
產品名稱:CH-SC/CH-SBS型傳感器產品特點:CH-SC/CH-SB采用優質合金鋼材質,具有高精度,高穩定性,低外形,安裝簡便、快速等特點。適用于試驗機、配料秤、攪拌站、皮帶秤和包裝秤等,多做拉力使用,也可壓用。
編號:10503
查看:
發布:2022-05-20
產品名稱:CH-SC/CH-SBS型傳感器產品特點:CH-SC/CH-SB采用優質合金鋼材質,具有高精度,高穩定性,低外形,安裝簡便、快速等特點。適用于試驗機、配料秤、攪拌站、皮帶秤和包裝秤等,多做拉力使用,也可壓用。
產品名稱:CH-SC/CH-SB S型傳感器
產品特點:CH-SC/CH-SB采用優質合金鋼材質,具有高精度,高穩定性,低外形,安裝簡便、快速等特點。適用于試驗機、配料秤、攪拌站、皮帶秤和包裝秤等,多做拉力使用,也可壓用。
量程:CH-SC:2 kN(200kg)、3 kN(300kg)、5 kN(500kg)、10 kN(1t)
CH-SB:20 kN(2t)、30 kN(3t)、50 kN(5t)
外形尺寸:
|
| ||||||||||||||||||||||||||||||||||||