TQ-A1方S型拉壓稱重傳感器
編號:10116
查看:
發布:2022-03-28
TQ-A1鋼制方S型拉壓傳感器,承受拉、壓外力均可,輸出對稱性好,結構緊湊、安裝方便,規格齊全。 TQ-A1方S型拉壓稱重傳感器適用于制造機電結合秤、吊鉤秤、料斗秤及各種專用秤、工藝秤等。
編號:10116
查看:
發布:2022-03-28
TQ-A1鋼制方S型拉壓傳感器,承受拉、壓外力均可,輸出對稱性好,結構緊湊、安裝方便,規格齊全。 TQ-A1方S型拉壓稱重傳感器適用于制造機電結合秤、吊鉤秤、料斗秤及各種專用秤、工藝秤等。
產品特點:TQ-A1鋼制方S型拉壓傳感器,承受拉、壓外力均可,輸出對稱性好,結構緊湊、安裝方便,規格齊全。
產品用途:TQ-A1方S型拉壓稱重傳感器適用于制造機電結合秤、吊鉤秤、料斗秤及各種專用秤、工藝秤等。
量程:10N(1kg)、20N(2kg)、30N(3kg)、50N(5kg)、100N(10kg)、200N(20kg)、300N(30kg)、500N(50kg)、1kN(100kg)、2 kN(200kg)、3 kN(300kg)、5 kN(500kg)、10 kN(1t)、20 kN(2t)、30 kN(3t)、50 kN(5t)、100 kN(10t)、150 kN(15t)、200 kN(20t);
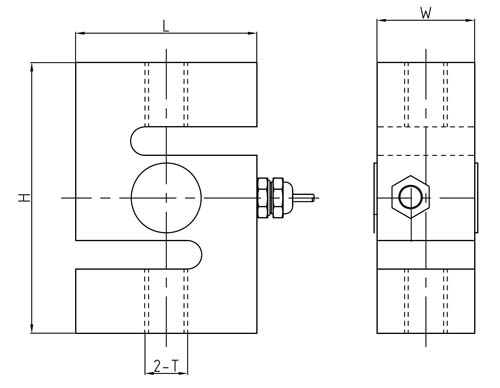
技術參數及外形尺寸:
序號 | 產品技術參數 | |
1 | 額定載荷 | 1kg、2kg、3kg |
2 | 綜合精度 | 0.05%F.S |
3 | 靈敏度 | 1.0mV/V |
4 | 零點輸出 | ≤0.1%F.S |
5 | 輸入阻抗 | 380±20Ω |
6 | 輸出阻抗 | 351±3Ω |
7 | 絕緣阻抗 | ≥5000MΩ |
8 | 補償溫度范圍 | -10~40℃ |
9 | 適用溫度范圍 | -20~60℃ |
10 | 安全過載 | 150%F.S |
11 | 極限載荷 | 300%F.S |
12 | 材質 | 優質鋁合金 |
13 | 激勵電壓 | 10V(DC) |
14 | 密封等級 | IP67 |
15 | 電纜 | 2m |
16 | 接線方式 | 紅……E+(輸入正) 黑……E-(輸入負) 綠……S+(輸出正) 白……S-(輸出負) |

10N-30N
序號 | 產品技術參數 | |
1 | 額定載荷 | 5-20000kg |
2 | 綜合精度 | 0.02%F.S |
3 | 靈敏度 | 2.0mV/V±0.2% |
4 | 輸入阻抗 | 385±15Ω |
5 | 輸出阻抗 | 350±3Ω |
6 | 絕緣阻抗 | ≥5000MΩ |
7 | 補償溫度范圍 | -10~40℃ |
8 | 安全過載 | 150%F.S |
9 | 材質 | 合金鋼 |
10 | 激勵電壓 | 10V(DC/AC) |
11 | 密封等級 | IP67 |
12 | 電纜 | 3m |
13 | 接線方式 | 紅……E+(輸入正) 黑……E-(輸入負) 綠……S+(輸出正) 白……S-(輸出負) |

型號 | 量程(kN) | 量程(kg) | L | H | W | T |
TQ-A1 | 0.05-0.5 | 5-50 | 51 | 64 | 13 | M8×1.25 |
1-5 | 100-500 | 51 | 76 | 19.1 | M12×1.75 | |
10-20 | 1000-2000 | 54 | 76 | 25.4 | M12×1.75 | |
25-50 | 2500-5000 | 76 | 108 | 25.4 | M18×1.5 | |
75 | 7500 | 100 | 140 | 32 | M24×2 | |
100 | 10000 | 126 | 178 | 50 | M30×2 | |
150-200 | 15000-20000 | 140 | 188 | 60 | M39×2 | |
TQ-A1T | 0.5 | 50 | 51 | 76 | 19.1 | M12ⅹ1.75 |
20 | 2000 | 76 | 108 | 25.4 | M20ⅹ2.5 | |
30 | 3000 | 70 | 86 | 45 | M20ⅹ2.5 | |
50 | 5000 | 76.2 | 108 | 40 | M20ⅹ2.5 |
圖片與實物略有差異,以實物為準 / 濟南泰欽保留隨時更改、撤消產品型號、規格的權利,恕不另行通知
序號 | 產品技術參數 | |
1 | 額定載荷 | 5-20000kg |
2 | 綜合精度 | 0.02%F.S |
3 | 靈敏度 | 2.0mV/V±0.2% |
4 | 輸入阻抗 | 385±15Ω |
5 | 輸出阻抗 | 350±3Ω |
6 | 絕緣阻抗 | ≥5000MΩ |
7 | 補償溫度范圍 | -10~40℃ |
8 | 安全過載 | 150%F.S |
9 | 材質 | 合金鋼 |
10 | 激勵電壓 | 10V(DC/AC) |
11 | 密封等級 | IP67 |
12 | 電纜 | 3m |
13 | 接線方式 | 紅……E+(輸入正) 黑……E-(輸入負) 綠……S+(輸出正) 白……S-(輸出負) |

型號 | 量程(kN) | 量程(kg) | L | H | W | T |
TQ-A1 | 0.05-0.5 | 5-50 | 51 | 64 | 13 | M8×1.25 |
1-5 | 100-500 | 51 | 76 | 19.1 | M12×1.75 | |
10-20 | 1000-2000 | 54 | 76 | 25.4 | M12×1.75 | |
25-50 | 2500-5000 | 76 | 108 | 25.4 | M18×1.5 | |
75 | 7500 | 100 | 140 | 32 | M24×2 | |
100 | 10000 | 126 | 178 | 50 | M30×2 | |
150-200 | 15000-20000 | 140 | 188 | 60 | M39×2 | |
TQ-A1T | TQ-A1T-0.5 | 50 | 51 | 76 | 19.1 | M12ⅹ1.75 |
TQ-A1T-20 | 2000 | 76 | 108 | 25.4 | M20ⅹ2.5 |