產品特點:TQ-1B十字槽輪輻式測力傳感器 具有高底低,鋼性好,精度高,抗偏裁能力強等特點。
產品用途:TQ-1B十字槽輪輻式測力傳感器適用于皮帶秤、料斗秤、倉儲秤、料罐、材料力學試驗機、勞保安全檢測設備。
量程:TQ-1B : 5kN(500kg)、10kN(1t)、20 kN(2t)、30 kN(3t)、50 kN(5t)、100 kN(10t)、200 kN(20t)、300 kN(30t)
TQ-1BT: 50 kN(5t)、100 kN(10t)、200 kN(20t)
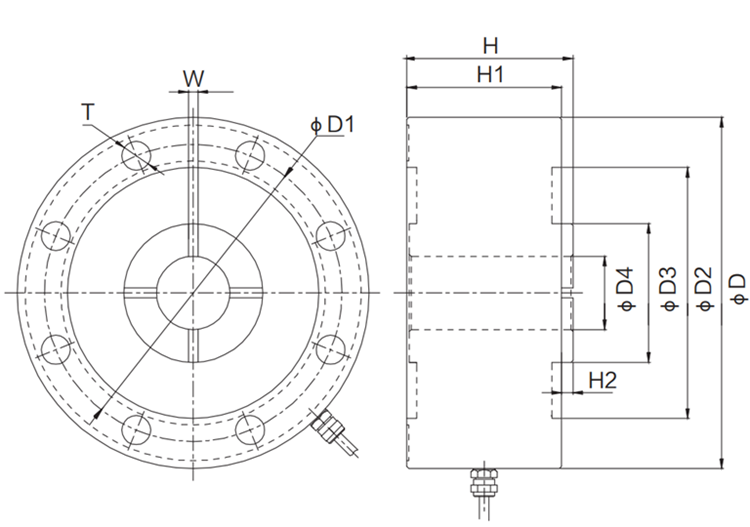
技術參數及外形尺寸:
序號 產品技術參數 1 額定載荷 5kN-300kN 2 綜合精度 ≤0.05%F.S 3 靈敏度 2.0m±0.01V/V 4 線性 ≤0.03%F.S 5 滯后 ≤0.05%F.S 6 蠕變 ≤0.05%F.S/30min 7 重復性 ≤0.02%F.S 8 零點輸出 ±1%F.S 9 輸入阻抗 387±20Ω 10 輸出阻抗 350±5Ω 11 絕緣阻抗 ≥5000MΩ 12 輸出溫度影響 <0.05%F.S/10℃ 13 零點溫度影響 <0.05%F.S/10℃ 14 推薦激勵電壓 10V(DC) 15 適用溫度范圍 -20~70℃ 16 安全過載 150%F.S 17 材質 合金鋼 18 接線方式 紅……E+(電源正) 黑……E-(電源負) 綠……S+(信號正) 白……S-(信號負)

型號 | 量程(kN) | 量程(t) | D | D1 | D2 | D3 | D4 | H | H1 | H2 | W | T |
TQ-1B | 5-100 | 0.5-10 | 118 | 100 | 82 | 36 | 24 | 50 | 43 | 7 | 4×5.1 | 8×Φ9 |
200 | 20 | 160 | 135 | -- | 62 | 40 | 53 | 45.5 | 7.5 | 4×5.1 | 10×Φ14 | |
300 | 30 | 172 | 147 | -- | 65 | 45 | 74.5 | 67 | 7.5 | 4×5.1 | 12×Φ14 | |
TQ-1BT | 50-200 | 5-20 | 130 | 105 | 84 | 48 | 32 | 55 | 48 | 7 | 4×5 | 8×Φ14 |
圖片與實物略有差異,以實物為準 / 濟南泰欽保留隨時更改、撤消產品型號、規格的權利,恕不另行通知