CH-HLJ懸臂梁式稱重傳感器
編號:10454
查看:
發布:2022-05-20
產品名稱:CH-HLJ懸臂梁式稱重傳感器產品特點:CH-HLJ懸臂梁式稱重傳感器采用優質合金鋼材質,具有高精度、高穩定性等特點,安裝簡便、快速,適用于攪拌站、皮帶秤、配料秤和平臺秤等。量程:2.5kN(250kg)、5kN(50
編號:10454
查看:
發布:2022-05-20
產品名稱:CH-HLJ懸臂梁式稱重傳感器產品特點:CH-HLJ懸臂梁式稱重傳感器采用優質合金鋼材質,具有高精度、高穩定性等特點,安裝簡便、快速,適用于攪拌站、皮帶秤、配料秤和平臺秤等。量程:2.5kN(250kg)、5kN(50
產品名稱:CH-HLJ懸臂梁式稱重傳感器
產品特點:CH-HLJ懸臂梁式稱重傳感器采用優質合金鋼材質,具有高精度、高穩定性等特點,安裝簡便、快速,適用于攪拌站、皮帶秤、配料秤和平臺秤等。
量程:2.5 kN(250kg)、5 kN(500kg)、10 kN(1t)、20 kN(2t)、30 kN(3t)、50 kN(5t)
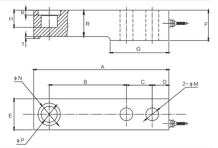
外形尺寸:

量程(kN) | 量程(t) | A | B | C | D | E | F | G | H | K | M | N | P | R | |
2.5-10 | 0.25-1 | mm | 133.4 | 76.2 | 25.4 | 16.4 | 30.7 | 30 | 57.9 | 17 | 4.8 | 12.7 | 22 | 15.9 | 28 |
20 | 2 | mm | 136.7 | 76.2 | 25.4 | 16.7 | 36.8 | 36.6 | 57.9 | 23 | 9.5 | 12.7 | 22 | 15.9 | 33 |
30 | 3 | mm | 139.7 | 79.2 | 25.4 | 16.7 | 39 | 36.6 | 57.9 | 23 | 9.5 | 15 | 22 | 15.9 | 34.5 |
50 | 5 | mm | 171.5 | 95.2 | 38.1 | 16.7 | 42.9 | 43 | 73.8 | 29.4 | 11 | 19 | 34.9 | 22.2 | 40 |
技術參數:
技術參數 | |||
額定輸出 | 2.0mV/V±1% | 零點平衡 | ±1%F.S |
綜合精度 | 0.03%F.S | 輸入阻抗 | 381±4Ω |
線性、滯后性 | ±0.03%F.S | 輸出阻抗 | 350±1Ω |
重復性 | ±0.03%F.S | 絕緣電阻 | ≥5000MΩ |
蠕變 | ±0.03%F.S/30min | 允許工作電壓 | 5~15V/DC |
零點溫度影響 | ±0.02%/10℃ | 工作溫度范圍 | -30℃~+70℃ |
輸出溫度影響 | ±0.02%/10℃ | 安全過載 | 150%F.S |
接線方式 | 激勵(+):紅, 激勵(-):黑; 信號(+):綠, 信號(-):白 | ||