TQ-H8柱式稱重傳感器
編號:10134
查看:
發布:2020-07-30
TQ-H8柱式稱重傳感器動態響應快,防過載能力強、安裝容易,使用方便。 TQ-H8柱式稱重傳感器適用于制造電子汽車衡、動態軌道衡、大噸位料斗秤等衡器。
編號:10134
查看:
發布:2020-07-30
TQ-H8柱式稱重傳感器動態響應快,防過載能力強、安裝容易,使用方便。 TQ-H8柱式稱重傳感器適用于制造電子汽車衡、動態軌道衡、大噸位料斗秤等衡器。
產品特點:TQ-H8柱式稱重傳感器動態響應快,防過載能力強、安裝容易,使用方便。
產品用途:TQ-H8柱式稱重傳感器適用于制造電子汽車衡、動態軌道衡、大噸位料斗秤等衡器。
量程:30 kN(3t)、50 kN(5t)、100 kN(10t)、 200 kN(20t)、300 kN(30t)、500 kN(50t)、600 kN(60t)
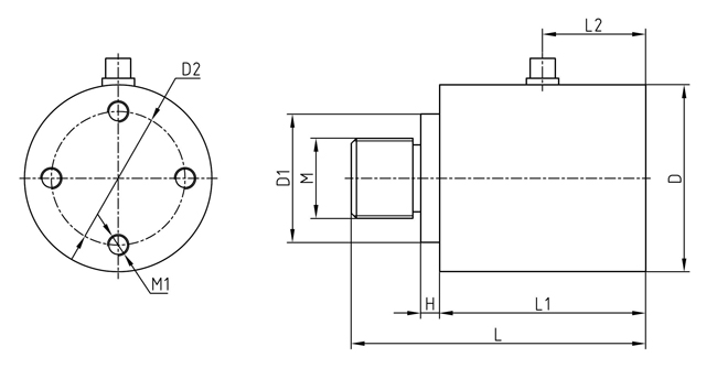
技術參數及外形尺寸:
序號 | 產品技術參數 | |
1 | 額定載荷 | 30kN-600kN |
2 | 綜合精度 | ≤0.1%F.S |
3 | 靈敏度 | 1-1.5mV/V |
4 | 蠕變 | ±0.1%F.S/30min |
5 | 零點輸出 | ±1%F.S |
6 | 零點溫度影響 | ±0.1%F.S/10℃ |
7 | 輸出溫度影響 | ±0.1%F.S/10℃ |
8 | 輸入阻抗 | 380±20Ω |
9 | 輸出阻抗 | 350±3Ω |
10 | 絕緣阻抗 | ≥2000MΩ |
11 | 補償溫度范圍 | -10~40℃ |
12 | 安全過載 | 150%F.S |
13 | 材質 | 合金鋼 |
14 | 密封等級 | IP68 |
15 | 接線方式 | 紅……E+(輸入正) 黑……E-(輸入負) 綠……S+(輸出正) 白……S-(輸出負) |

型號 | 量程(kN) | 量程(t) | D | D1 | D2 | M | L | L1 | L2 | H | M1 |
TQ-H8 | 30-100 | 3-10 | 60 | 28 | 40 | M16 | 110 | 84 | 59 | 4 | 4-M8 |
200-300(A) | 20-30(A) | 70 | 48 | 50 | M30×2 | 131 | 100 | 59 | 7 | 4-M8 | |
200-300(B) | 20-30(B) | 80 | 42 | 65 | M16 | 95 | 77 | 47 | 3 | 4-M8 | |
200-300(C) | 20-30(C) | 85 | 48 | 60 | M30×2 | 131 | 100 | 65 | 7 | 4-M12 | |
500-600(A) | 50-60(A) | 90 | 68 | 70 | M36×2 | 160 | 130 | 74 | 5 | 4-M10 | |
500-600(B) | 50-60(B) | 118 | 68 | 90 | M36×2 | 160 | 130 | 79 | 5 | 4-M12 |
圖片與實物略有差異,以實物為準 / 濟南泰欽保留隨時更改、撤消產品型號、規格的權利,恕不另行通知