CH-LF1輪輻式測力傳感器
編號:10395
查看:
發布:2022-05-20
產品名稱:CH-LF1輪輻式測力傳感器產品特點:CH-LF1輪輻式測力傳感器采用優質不銹鋼材質,具有高精度,高穩定性,低外形,安裝簡便、快速等特點。適用于試驗機,可做拉壓雙向使用。量程:500kg,1t,2t,3t,5t,1
編號:10395
查看:
發布:2022-05-20
產品名稱:CH-LF1輪輻式測力傳感器產品特點:CH-LF1輪輻式測力傳感器采用優質不銹鋼材質,具有高精度,高穩定性,低外形,安裝簡便、快速等特點。適用于試驗機,可做拉壓雙向使用。量程:500kg,1t,2t,3t,5t,1
產品名稱:CH-LF1輪輻式測力傳感器
產品特點:CH-LF1輪輻式測力傳感器采用優質不銹鋼材質,具有高精度,高穩定性,低外形,安裝簡便、快速等特點。適用于試驗機,可做拉壓雙向使用。
量程:500kg,1t,2t,3t,5t,10t,20t,30t
外形尺寸:
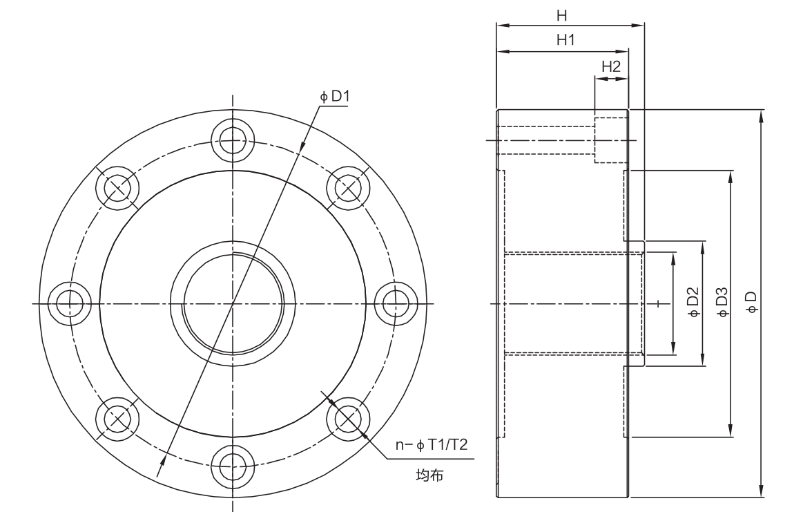
量程(kN) D D1 D2 75 H H1 T T1 T2 n H2 5-50 mm 105 89 32 75 37 34 M16x1.5 7.5 10.5 8 7.2 100-250 mm 120.6 101.8 39 83 48 41 M32x1.5 8.5 14 8 10.5 300 mm 141 116.8 50.4 97 57 50.8 M40x1.5 11 18 8 11 |
技術參數 額定輸出 3.0mV/V±0.003 輸入阻抗 385±10Ω 非線性 ±0.05%F.S 輸出阻抗 351±3Ω 滯后性 <±0.05%F.S 絕緣電阻 ≥5000MΩ 重復性 <±0.05%F.S 允許激勵電壓 5~15V/DC 蠕變 <±0.05%F.S/30min 補償溫度范圍 -10℃~+40℃ 零點溫度影響 <±0.03%/10℃ 工作溫度范圍 -30℃~+70℃ 輸出溫度影響 <±0.03%/10℃ 安全過載 120%F.S 零點平衡 <±1%F.S 極限過載 150%F.S 接線方式 激勵:+紅 -黑 信號:+綠 -白 屏蔽:黃粗 | ||||||||||||||||||||||||||||||||||||||||