TQ-1E單向輪輻式測力傳感器
編號:10109
查看:
發布:2021-08-05
TQ-1E單向輪輻式測力傳感器采用優質合金鋼材質,高精度,高穩定性,低外形,安裝簡便、快速,表層鍍鎳防腐處理。TQ-1E單向輪輻式測力傳感器適用于試驗機,汽車衡和大型料斗秤等
編號:10109
查看:
發布:2021-08-05
TQ-1E單向輪輻式測力傳感器采用優質合金鋼材質,高精度,高穩定性,低外形,安裝簡便、快速,表層鍍鎳防腐處理。TQ-1E單向輪輻式測力傳感器適用于試驗機,汽車衡和大型料斗秤等
產品特點:TQ-1E單向輪輻式測力傳感器采用優質合金鋼材質,高精度,高穩定性,低外形,安裝簡便、快速,表層鍍鎳防腐處理。
產品用途:TQ-1E單向輪輻式測力傳感器適用于試驗機,汽車衡和大型料斗秤等。
量程: 0.5kN(0.05t)、1kN(0.1t)、2 kN(0.2t)、5 kN(0.5t)、10 kN(1t)、20 kN(2t)、50 kN(50t)、100 kN(10t)、200 kN(20t)、300 kN(30t)、500 kN(50t)、600 kN(60t)、 1000 kN(100t)、2000 kN(200t)、3000kN (300t)
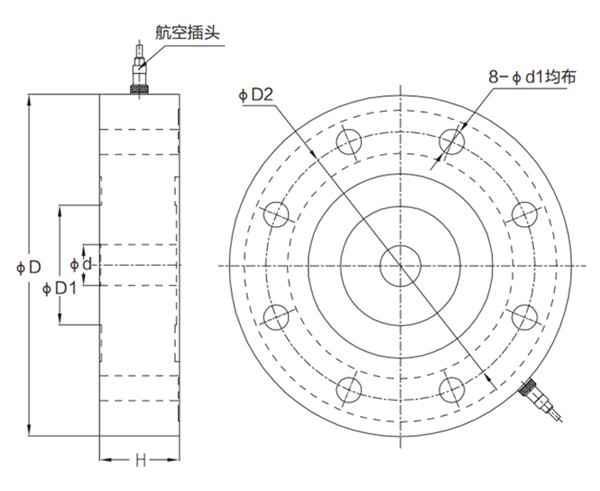
技術參數及外形尺寸:
序號 產品技術參數 1 額定載荷 0.05-200t 2 綜合精度 ≤0.05/0.1%F.S 3 靈敏度 1.5-2.5mV/V 4 非線性 ≤0.05/0.1%F.S 5 滯后 ≤0.05/0.1%F.S 6 重復性 ≤0.05%F.S 7 輸入阻抗 380/760Ω 8 輸出阻抗 350/700Ω 9 絕緣阻抗 ≥2000MΩ 10 靈敏度系數溫度影響 <0.05%F.S/10℃ 11 零點溫度影響 <0.05%F.S/10℃ 12 推薦激勵電壓 10V(DC) 13 適用溫度范圍 -30~70℃ 14 安全過載 150%F.S 15 接線方式 紅……E+(電源正) 黑……E-(電源負) 綠……S+(信號正) 白……S-(信號負)

圖片與實物略有差異,以實物為準 / 濟南泰欽保留隨時更改、撤消產品型號、規格的權利,恕不另行通知