CH-QS 橋式稱重傳感器
編號:10449
查看:
發布:2022-05-20
CH-QS橋式稱重傳感器采用鋼球、壓頭結構可自動復位和調心。高精度、高可靠性、穩定性好;安裝方便、互換性好。有良好的防潮密封,適應惡劣工作環境。可用于地磅、汽車衡等重量、力值測量的各個領域。
編號:10449
查看:
發布:2022-05-20
CH-QS橋式稱重傳感器采用鋼球、壓頭結構可自動復位和調心。高精度、高可靠性、穩定性好;安裝方便、互換性好。有良好的防潮密封,適應惡劣工作環境。可用于地磅、汽車衡等重量、力值測量的各個領域。
產品名稱:CH-QS 橋式稱重傳感器
產品特點:CH-QS橋式稱重傳感器采用鋼球、壓頭結構可自動復位和調心。高精度、高可靠性、穩定性好;安裝方便、互換性好。有良好的防潮密封,適應惡劣工作環境。可用于地磅、汽車衡等重量、力值測量的各個領域。
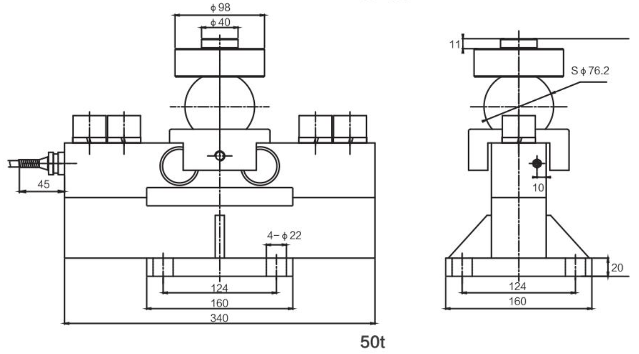
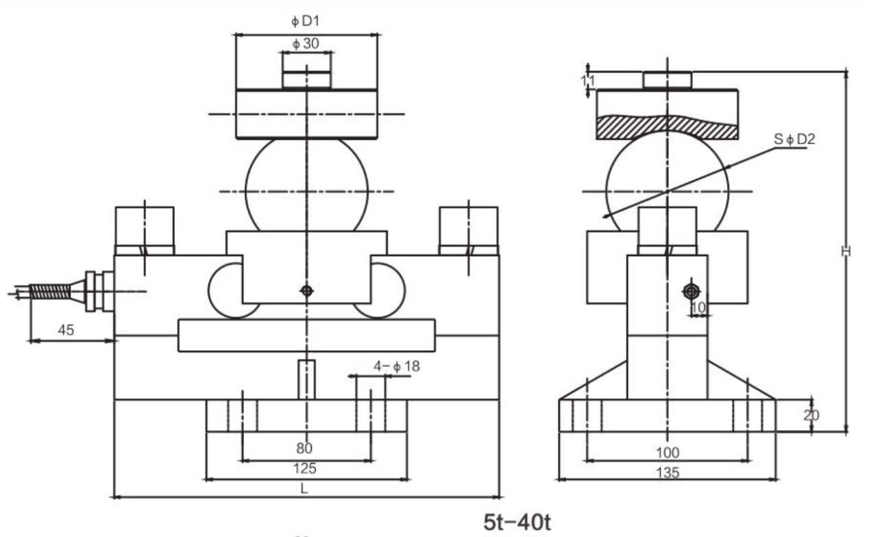
量程:100kN(10t)、200kN(20t)、300kN(30t)、400kN(40t)、500kN(50t)
外形尺寸:
量程(kN) | 量程(t) | D1 | D2 | H | L | |
50 | 5 | mm | 68 | 50.8 | 168.8 | 224 |
100-300 | 10-30 | mm | 85-88 | 76.2 | 224.7 | 240 |
400 | 40 | mm | 88 | 76.2 | 230.7 | 240 |
技術參數: |
|
|
| |||||||||||||||||||||||||||||||||||||
技術參數 額定輸出 2.0mV/V±0.1% 輸入阻抗 780±10Ω 非線性 ±1%F.S 輸出阻抗 701±2Ω 滯后性 <±0.2%F.S 絕緣電阻 ≥5000MΩ 重復性 <±0.05%F.S 允許激勵電壓 5~15V/DC 蠕變 <±0.2%F.S/30min 補償溫度范圍 -10℃~+40℃ 零點溫度影響 <±0.02%/10℃ 工作溫度范圍 -30℃~+70℃ 輸出溫度影響 <±0.02%/10℃ 安全過載 120%F.S 零點平衡 <±1%F.S 極限過載 150%F.S 接線方式 激勵:+紅 -黑 信號:+綠 -白 屏蔽:黃 | ||||||||||||||||||||||||||||||||||||||||
| ||||||||||||||||||||||||||||||||||||||||